Electric and hybrid systems designed for zero-emission operation, offering unmatched efficiency and reliability.
At ePropulsion Commercial, we are at the forefront of the evolution of a sustainable marine industry. Electrical propulsion, energy storage and integrated solutions for the ship are leading the way to the zero emissions marine industry, providing greater efficiency and reliability to shipowners, and preparing vessels to meet the demands of tomorrow.
Zero Emissions Propulsion
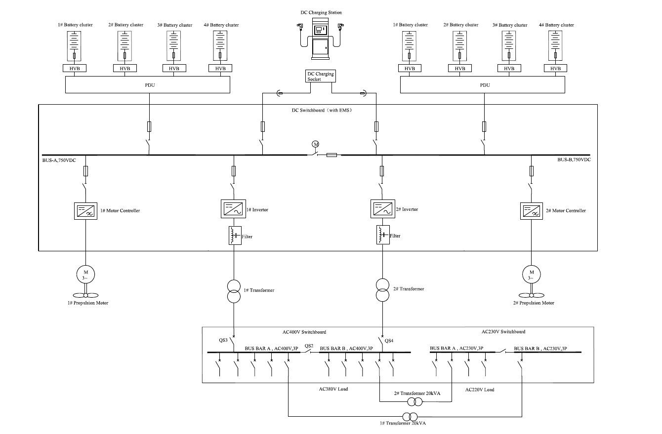
A pure electric system operates entirely on battery power, eliminating the need for traditional fuel-based engines. It uses high-capacity marine-grade lithium batteries to store and deliver power to the electric propulsion motor.
A hybrid propulsion system using batteries as the primary power source, supported by a diesel or gas generator for extended range and reliability. Unlike traditional hybrid systems, the DC power bus allows for seamless energy distribution, reducing energy losses and improving overall system efficiency.
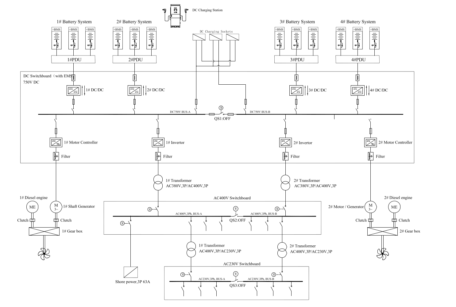
The Parallel Hybrid System integrates an electric motor/generator (PTI/PTO) and a diesel or gas engine, both connected to the same propulsion shaft by means of the propulsion gear box.
"ePropulsion Commercial provided a seamless, fully customized propulsion system that transformed our fleet. The efficiency and reliability have
exceeded our expectations, reducing fuel costs and emissions significantly."
"Their in-house engineering expertise made all the difference. The tailored electric propulsion system perfectly matched our vessel’s needs, delivering
outstanding performance and long-term sustainability."
Engineering the Next Generation of Marine Propulsion
Advanced electric propulsion solutions engineered for performance, efficiency, and sustainability.
ePropulsion Commercial is a global leader in electric propulsion, delivering customized, in-house engineered solutions for commercial marine applications. With a proven track record of over 50,000 motors and batteries deployed, we provide reliable, high-performance systems tailored to your vessel’s unique needs.
Complete Electric Propulsion Systems for Every Vessel
High-efficiency motors, advanced batteries and intelligent energy-management systems combine in our fully integrated suite of electric propulsion solutions, tailored to every vessel’s needs. Our end-to-end approach guarantees seamless integration and optimal performance, delivering maximum efficiency with minimal environmental impact.
Key Features:
Fully Integrated Systems
Seamlessly designed for peak performance.
Custom Engineering – Tailored to your vessel’s requirements.
With in-house innovation, we design, engineer and build core components - motors, batteries and power electronics - to ensure quality and seamless integration. Our propulsion systems are transforming the commercial marine sector with superior reliability, efficiency and sustainability.
A leading operator transitioned to full electric propulsion, increasing energy efficiency by 60% and reducing operational costs.
Our system enabled a ferry operator to cut emissions to zero, setting a new benchmark for sustainable marine travel.
A commercial workboat achieved 70% greater range with our high-performance battery integration.
Your Trusted Partner in Maritime Electrification
With engineering excellence and deep industry expertise, we deliver bespoke electric propulsion systems that redefine performance and sustainability. As your trusted partner, we support maritime decarbonisation with solutions optimised for efficiency, reliability and environmental stewardship.
In-House Innovation – Designed and engineered by experts.
Proven Performance – 50,000+ units delivered worldwide.
Customisation at Every Level – No one-size-fits-all solutions.
Sustainable Future – Committed to maritime decarbonization.
Powering the Future of Marine Propulsion
Discover our cutting-edge electric and hybrid propulsion solutions, engineered for superior efficiency, reliability, and sustainability in commercial marine operations.
Fully integrated electric and hybrid propulsion solutions for commercial vessels.
Custom-engineered systems designed for efficiency, reliability, and sustainability.
Designing, engineering and manufacturing all core components - including motors, batteries and power electronics to ensure unrivalled quality and seamless integration.
Proven Expertise
Equipping over 1,000 vessels with state-of-the-art electric propulsion systems that deliver exceptional performance and reliability.
Global Partnerships
Partnering with leading shipyards and operators worldwide to provide bespoke, cutting-edge electrification solutions.
50,000+
Motors and Batteries
Delivering proven electric-propulsion components to customers around the world.
150+
MWh Supplied
Powering our systems and seamlessly integrating with external technologies.
150+
Engineers
Bringing decades of expertise and cutting-edge innovation to every project.
60+
Service Partners
Supporting clients globally with dependable maintenance and after-sales service.
With a fully in-house process and a team of 150 R&D engineers, we ensure seamless integration, superior performance, and systems tailored to your exact requirements.
As a one-stop shop, we handle every critical aspect of your vessel's electric propulsion needs
At ePropulsion Commercial, we understand that every type of vessel has unique operational challenges and goals. That’s why we design propulsion solutions tailored to meet the specific demands of various sectors.
From quieter operations for fishing vessels to robust systems for offshore support, we provide innovative solutions that drive efficiency, reliability, and sustainability.
Commercial Fishing
Rising fuel costs, stricter environmental regulations, and the need for quieter operations.
Passenger transport
Reducing emissions in urban waterways and delivering sustainable solutions for growing passenger demand.
Cargo & Logistics
Challenges: Heavy-duty operation, fuel efficiency, and reliability for continuous usage.
Research Vessels
Precision operation, extended energy needs, and minimal environmental disruption.
Diving
Reliable propulsion for underwater exploration and minimal impact on marine life.
Offshore Support
Durability in harsh offshore environments and the need for dependable power systems.
Energy Storage & Renewables
Reducing dependence on fossil fuels and integrating renewable energy into commercial operations.
Onboard Energy Storage:
High-capacity, marine-grade batteries for reliable energy storage and power delivery.
Port-Based Solutions:
Advanced charging infrastructure for efficient energy management at docks and harbours.
Floating Solar Panels:
Innovative systems providing renewable energy to vessels and ports, reducing carbon footprints.
Why Choose Us for Your Industry?
Tailored Solutions:
Every system we design is customised to meet the unique demands of your industry.
In-House Expertise:
From motors to energy storage, our in-house capabilities ensure seamless integration and superior performance.
Sustainability First:
Our systems are engineered to reduce emissions, improve energy efficiency, and support a cleaner maritime future.
Global Reach:
With operations in key maritime hubs worldwide, we provide localised support wherever you are.
We deliver fully integrated energy storage solutions designed for efficiency, reliability, and sustainability. Our in-house innovation ensures seamless integration of marine-grade batteries, power electronics, and energy management systems to meet the unique demands of commercial marine operations.
Energy Storage Systems - ESS
A high-efficiency battery system designed to optimise energy use, reduce fuel consumption, and enhance vessel performance.
Our Energy Storage System (ESS) is a marine-grade battery system that stores and manages electrical energy for use in hybrid and fully electric propulsion systems. The ESS enables vessels to operate more efficiently, reduce emissions, and lower fuel consumption by optimizing power distribution and providing energy when needed.
ESS solutions can be integrated into pure electric, hybrid AC, hybrid DC, and parallel hybrid systems, offering flexibility and sustainability for various commercial marine applications.
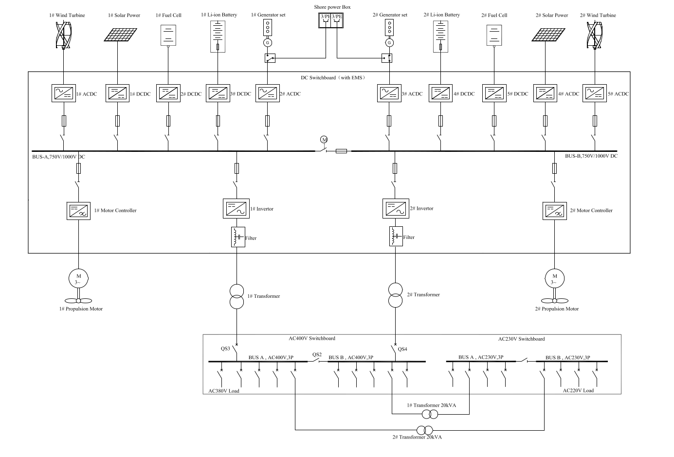
On-Grid Tie and Renewable Energy for Ports & Maritime Power Supply
A sustainable solution integrating shore power, solar, and wind energy for cleaner, more efficient maritime operations.
On-grid tie systems allow vessels and port facilities to connect directly to shore power and renewable energy sources such as solar and wind, reducing the need for onboard generators and lowering overall fuel consumption and emissions. This technology is critical for green port initiatives, enabling vessels to operate more efficiently while meeting strict environmental regulations.
By leveraging shore-to-ship power, ports can provide vessels with a stable and clean energy supply, eliminating emissions while docked and reducingreliance on fossil fuels. Integrating solar and wind power further enhances sustainability by supplementing port energy demands and reducing grid
dependency.
Shore Power
Vessels connect to the port’s electrical grid, allowing onboard systems to run on land-based electricity instead of diesel generators.
Power can come from renewable sources like solar, wind, or hydroelectric energy, reducing emissions.
Ensures silent, emission-free docking operations, especially in emission control areas (ECAs).
Solar Power Integration for Ports & Vessels
Solar panels installed on port infrastructure and vessel decks generate electricity to support onboard power needs and port operations.
Excess energy can be stored in port-side Energy Storage Systems (ESS) for later use.
Works well for ferries, short-route passenger vessels, and cargo ships operating in sunny regions.
Wind Power for Maritime Energy
Wind turbines at ports or on vessels generate additional clean electricity, reducing reliance on grid power.
Wind-assisted energy supports hybrid and electric propulsion systems, extending battery life and range.
Ideal for offshore support vessels, cargo ships, and ferries operating in coastal and open-sea conditions.
Energy Storage Systems (ESS) for Ports & Ships
Battery storage systems help balance energy demand, ensuring a stable and efficient power supply for vessels while docked.
Stores excess renewable energy from solar and wind for use during peak demand or emergencies.
Can be used to power vessels temporarily, reducing strain on the local electrical grid.
A pure electric system operates entirely on battery power, eliminating the need for traditional fuel-based engines. It uses high-capacity marine-grade lithium batteries to store and deliver power to the electric propulsion motor.
How It Works
Energy is stored in a battery bank.
The battery powers the electric motor, driving the vessel and all other onboard systems.
Smart energy management systems optimise power usage for efficiency and full availability.
Charging can be done via shore power and onboard renewable energy sources.
By keeping all critical components motors, batteries, power electronics, software and regulatory compliance in-house, we deliver systems that are:
Customised:
Tailored to your vessel's unique specifications.
Reliable:
Designed for durability and operational efficiency.
Sustainable:
Built to minimise environmental impact and drive maritime decarbonisation.
Products
Motor
High-Performance Electric Motors for Reliable Propulsion
Energy Storage System
High-Capacity LFP Batteries for Sustainable Power
Propulsion Drive
Precision Control for Smooth and Efficient Operation
Energy Management System
Optimised Energy Control for Maximum Efficiency
DC Switchboard
Reliable Power Distribution for Maritime Applications
AC Switchboard
Stable and Secure AC Power Distribution
Charging & Shore Connection
Seamless Charging Solutions for Electric and Hybrid Vessels
At ePropulsion Commercial, we provide more than propulsion systems we deliver a complete solution. As a one-stop shop, we handle every critical aspect of your vessel's electric propulsion needs, from motors and batteries to power electronics, software, and maritime engineering.
With a fully in-house process and a team of 150 R&D engineers, we ensure seamless integration, superior performance, and systems tailored to your exact requirements.
By keeping all critical components motors, batteries, power electronics, software, naval architecture, and regulatory compliance in-house, we deliver systems that are:
Customised: Tailored to your vessel's unique specifications.
Reliable: Designed for durability and operational efficiency.
Sustainable: Built to minimise environmental impact and drive maritime decarbonisation.
Motor Design
High Performance: Our motors are built for marine environments, delivering unmatched power and efficiency.
Compact and Lightweight: Designed to optimise space without compromising on performance.
Durable Engineering: Advanced cooling systems ensure reliability, even under the harshest conditions
Customised for Your Vessel: Each motor is engineered to fit your vessel's size, purpose, and operational needs.
Battery Design
Marine-Grade Energy Storage: Our lithium-ion batteries are built to withstand the challenges of the environment.
Safe and Reliable: Fire-resistant materials, advanced thermal management, and long lifespans.
Sustainably Designed: Using recyclable materials, our batteries contribute to a cleaner ocean ecosystem.
Tailored Configurations: From short-range ferries to long-haul cargo vessels, we design batteries to meet your energy demands.
Power Electronics
Precision Energy Management: Our advanced inverters and controllers optimise energy use and ensure smooth operation.
Efficiency Redefined: High-efficiency converters minimise energy losses, enhancing overall system performance.
Renewable-Ready: Compatible with sustainable energy sources like floating solar panels and hybrid solutions.
Custom Integration: Power electronics designed to fit seamlessly into your propulsion system.
Maritme Engineering
We recognise that every vessel is backed by a skilled design team. Our engineering experts are here to collaborate, providing support and optimisation to ensure the most efficient and effective propulsion solution.
Integrated Design Expertise: Our naval architects and partners work to optimise your vessel's design for electric propulsion.
Hull Optimisation: Enhancing efficiency and reducing drag to save energy.
Weight and Balance Analysis: Ensuring optimal placement of motors and batteries for performance and safety.
Propeller Design: Precision-engineered propellers optimised for performance and energy efficiency.
CFD Analysis: Advanced computational fluid dynamics (CFD) simulations to reduce drag and improve hydrodynamic performance.
Collaborative Solutions: We work closely with shipyards to deliver bespoke engineering solutions.
Regulations and Class Society Collaboration
Compliance Made Simple: We understand the importance of meeting international standards and class society requirements (e.g., DNV, Lloyd’s Register, ABS).
Direct Collaboration: We work closely with class societies to streamline certification and compliance.
Tailored Systems: Every propulsion system is designed to meet specific regulatory needs, ensuring a smooth path to approval.
Global Expertise: With experience in multiple jurisdictions, we ensure your vessel is fully compliant, wherever it operates.
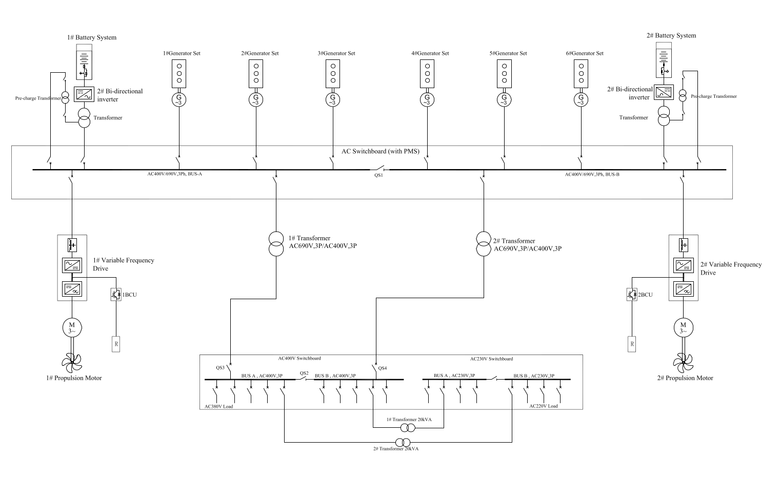
An AC hybrid propulsion system uses a diesel or gas generator to supply alternating current (AC) power directly to the electric motor, eliminating the need for battery banks. This configuration provides a straightforward, reliable solution for vessels requiring continuous power and extended operational range.
For added performance and flexibility, the system can be enhanced with a high-performance battery system. Integrating batteries enables silent operation, improved energy efficiency, and the ability to handle peak loads. It also reduces fuel consumption and emissions, supporting a cleaner and more sustainable marine operation.
How It Works
The generator produces AC electricity to power the electric motor directly.
The electric motor drives the propulsion system, providing efficient, smooth power delivery.
Excess energy can be managed through load balancing to optimize fuel efficiency.
The system can be designed with multiple generators for redundancy and increased power output.
Customised:
Tailored to your vessel's unique specifications.
Reliable:
Designed for durability and operational efficiency.
Sustainable:
Built to minimise environmental impact and drive maritime decarbonisation.
Products
Motor
High-Performance Electric Motors for Reliable Propulsion
Energy Storage System
High-Capacity LFP Batteries for Sustainable Power
Propulsion Drive
Precision Control for Smooth and Efficient Operation
Energy Management System
Optimised Energy Control for Maximum Efficiency
AC Switchboard
Stable and Secure AC Power Distribution
Charging & Shore Connection
Seamless Charging Solutions for Electric and Hybrid Vessels
The Parallel Hybrid System integrates an electric machine (motor/alternator), in PTI/PTO configuration and diesel or gas engines, both connected to the same propulsion shaft. This setup allows the vessel to run on electric power, mechanical power, or both simultaneously, depending on operational needs. The system optimises fuel efficiency and reduces emissions while ensuring continuous and reliable power availability.
How It Works
During low-speed operations (such as in ports or environmentally sensitive areas), the vessel operates in pure electric mode.
For higher power demands, the diesel or gas engine can take over propulsion directly or drive the electric machine (PTO mode) in order to charge the batteries.
When extra power is required, both the engine and electric motor can work together, providing enhanced performance while reducing fuel consumption.
Customised:
Tailored to your vessel's unique specifications.
Reliable:
Designed for durability and operational efficiency.
Sustainable:
Built to minimise environmental impact and drive maritime decarbonisation.
Products
Motor
High-Performance Electric Motors for Reliable Propulsion
Energy Storage System
High-Capacity LFP Batteries for Sustainable Power
Propulsion Drive
Precision Control for Smooth and Efficient Operation
Energy Management System
Optimised Energy Control for Maximum Efficiency
DC Switchboard
Reliable Power Distribution for Martime Applications
AC Switchboard
Stable and Secure AC Power Distribution
Charging & Shore Connection
Seamless Charging Solutions for Electric and Hybrid Vessels
Leading the transformation towards a cleaner, more sustainable maritime future through innovative electric propulsion solutions that redefine performance, efficiency, and environmental responsibility.
At ePropulsion Commercial, our mission is to deliver fully customised electric propulsion systems engineered for the demands of the commercial marine industry. By leveraging in-house innovation, engineering excellence, and a commitment to sustainability, we empower vessels worldwide to operate smarter, cleaner, and more efficiently.
Who we are
At ePropulsion Commercial, we empower your transformation. With every system we build, we enable cleaner, more efficient operations, shaping a better future for the industry and the environment.
With over 50,000 motors and batteries delivered, we are a trusted leader in the electric propulsion industry. Our team of 150 dedicated R&D engineers works tirelessly to develop tailored, future-focused solutions that meet the diverse needs of modern maritime operations.
Our Journey
Founded on Innovation: From the beginning, our goal was to revolutionise maritime propulsion by eliminating reliance on fossil fuels.
In-House Innovation: We design, engineer, and manufacture all key components including motors, batteries, power electronics and energy and power management systems ensuring unmatched quality and seamless integration.
Global Partnerships: Collaborations with leading shipyards and operators enable us to deliver cutting-edge, bespoke solutions.
What Sets Us Apart
In-House Innovation: We design, engineer, and manufacture all key components including motors, batteries, and power electronics ensuring unmatched quality and seamless integration.
Customisation: Every system is tailored to optimise efficiency, performance, and reliability for your vessel.
Sustainability at Our Core: Our solutions reduce emissions, improve energy efficiency, and contribute to the preservation of marine ecosystems.
Where we are
With offices strategically located in Hong Kong, Shenzhen, Dongguan, Shanghai, UK, France, Spain and the US, we provide global coverage with local support, ensuring reliability no matter where you operate.
Why Choose Us
One-Stop Solution
We design, engineer, and manufacture every critical component in-house, including motors, batteries, and power electronics.
Seamless integration across all components ensures a fully optimised, efficient propulsion system.Whether you’re retrofitting an existing vessel or building a new one, we manage every step from consultation to installation.
Customised for Your Needs
Every vessel is unique, and so are our solutions. We work closely with you to develop propulsion systems that fit your exact specifications.
Our modular designs allow for scalability and easy upgrades as your needs evolve.
Tailored engineering ensures optimal performance, reliability, and efficiency.
Committed to Sustainability
As pioneers in maritime decarbonisation, we design systems that drastically reduce emissions and energy consumption.
From recyclable batteries to renewable energy integration, we’re driving the industry toward a greener future.
Every system we build contributes to cleaner oceans and a healthier planet.
Cutting-Edge Technology
Our propulsion systems are powered by advanced technology, including:
High-efficiency motors and batteries for maximum performance.
Smart software systems for real-time diagnostics and predictive maintenance.
Renewable-ready power electronics for seamless integration with solar, wind, and hybrid systems.
In-House Innovation
Designing, engineering and manufacturing all core components - including motors, batteries and power electronics to ensure unrivalled quality and seamless integration.
Proven Expertise
Equipping over 1,000 vessels with state-of-the-art electric propulsion systems that deliver exceptional performance and reliability.
Global Partnerships
Partnering with leading shipyards and operators worldwide to provide bespoke, cutting-edge electrification solutions.
50,000+
Motors and Batteries
Delivering proven electric-propulsion components to customers around the world.
150+
MWh Supplied
Powering our systems and seamlessly integrating with external technologies.
150+
Engineers
Bringing decades of expertise and cutting-edge innovation to every project.
60+
Service Partners
Supporting clients globally with dependable maintenance and after-sales service.
Client Testimonials
"The reliability and performance of ePropulsion’s systems exceeded our expectations. Their ability to tailor a solution for our specific needs made all the difference."
"ePropulsion delivered a complete, efficient solution that significantly reduced our emissions. Their expertise and support are unmatched.""